Xsim 프로그램을 보면 sample로 2way 네트워크회로가 있습니다.
이 회로를 소자 하나씩 추가하면서 주파수의 변화를 보겠습니다.
sample 회로

앰프와 우퍼, 트위터 스피커유닛을 추가 합니다.

이때 스피커유닛에 주파수특성이 정보가 없기때문에 아래와 같이 일자로 보입니다.


트위터 스피커유닛에 frd 파일을 지정해서 주파수 및 임피던스 데이터를 반영해 줍니다.
frd 파일도 sample 파일이 있습니다.



트위터 유닛에 frd 파일을 지정해 주면 주파수 및 임피던스 정보가 보입니다.


이제 우퍼에 frd 파일을 지정해 줍니다.


우퍼유닛도 주파수 특성이 나타압니다.
네트워크의 목표는
1) 스피커유닛에 맞는 주파수를 분배하고
2) 전체 주파수(짙은 파랑)를 평탄하게 하는 것
입니다. 특정 주파수가 음압이 높지 않도록 하는 것입니다. 스피커유닛만 추가했을때를 보면 고음(노랑) 주파수가 저음(빨강)보다 SPL이 높습니다. 그리고 저음(빨강)과 고음(노랑)이 겹치는 부분은 두 소기가 합해져서 SPL이 커져 있습니다. 저음의 주파수 끝은 낮추고 고음의 주파수 시작을 높여서 겹치는 부분을 조정하는 것입니다.


이제 기본적으로 Low-pass filter 즉 우퍼(저음)에 코일을 적용해 보입니다.



코일을 적용하기 전후를 보겠습니다.
1) 저음의 주파수 끝이 1.45 KHz쯤에서 1.4 KHz쯤으로 낮아졌습니다.
2) 저음주파수가 고음주파수와 만나는 지점이 700 Hz 쯤에서 600 Hz 쯤이 되었습니다.
3) 저음과 고음이 만나는 SPL이 83~84쯤에서 82 쯤이 되었습니다.


다음에는 트위터(고음)에 콘덴서를 연결해 봅니다. High-Pass Filter 입니다.



우퍼(저음)에 코일만 적용한 왼쪽과 트위터(고음)에 콘덴서를 적용 한 오른쪽 입니다.
1) 트위터(고음)의 주파수 시작이 230 Hz 쯤에서 500 Hz 쯤으로 높아졌습니다.
2) 트위터의 SPL이 800Hz 쯤으로 보면 90에서 80 으로 낮아졌습니다.
3) 저음과 고음이 만나는 지점이 600 Hz 쯤에서 800 Hz 쯤으로 높아졌습니다.


트위터에 저항 18 옴(Ω)을 콘덴서 뒤에 추가 합니다.



저항 추가 전후로 보겠습니다.
1) 고음의 SPL이 1.3 KHz 쯤을 보면 102 쯤에서 93쯤으로 낮아졌습니다. 음압을 낮춥니다.


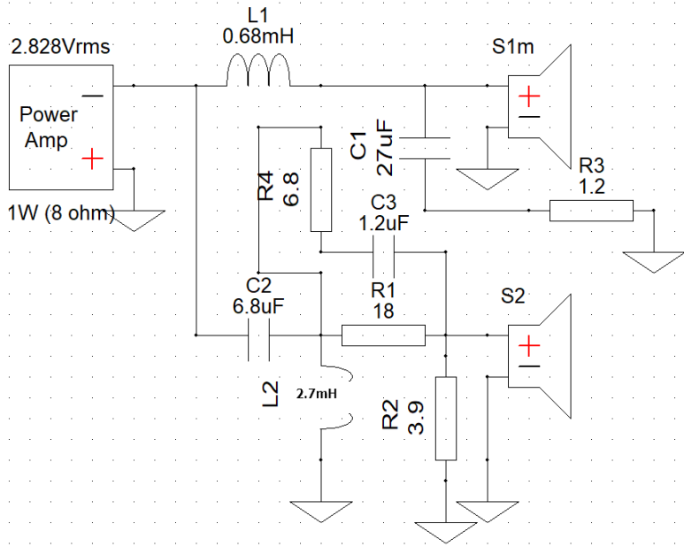
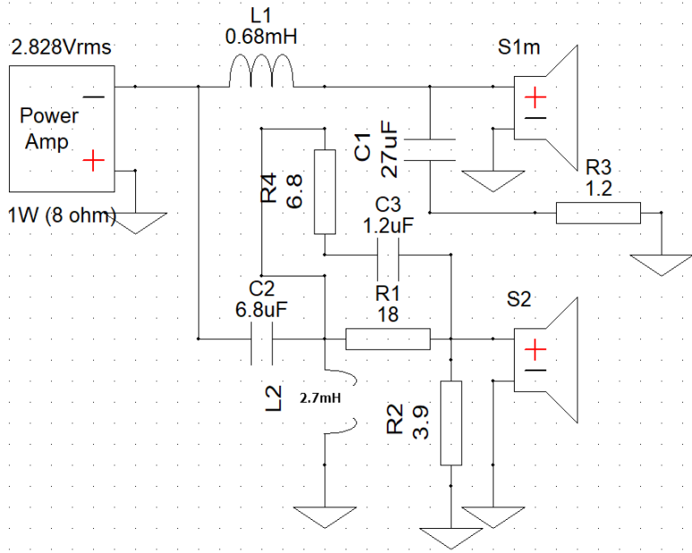
저음에 콘덴서 27uF 를 추가 합니다.
콘덴서를 통해서 코일을 통과한 고음을 다시 한번 흐려보내서 우퍼로 가지 못하게 한다고 합니다.



저음에 콘덴서 추가 전후를 보겠습니다.
1) 1 KHz쯤을 보면 SPL이 81 쯤에서 87 쯤으로 높아졌습니다.


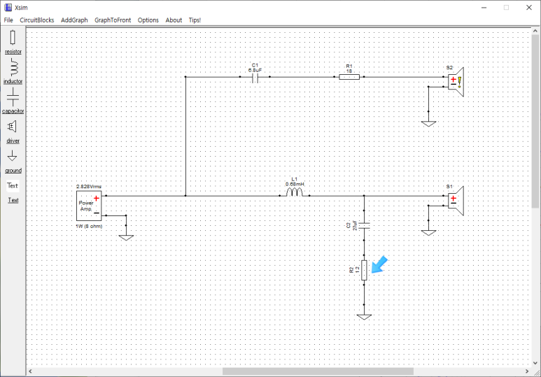
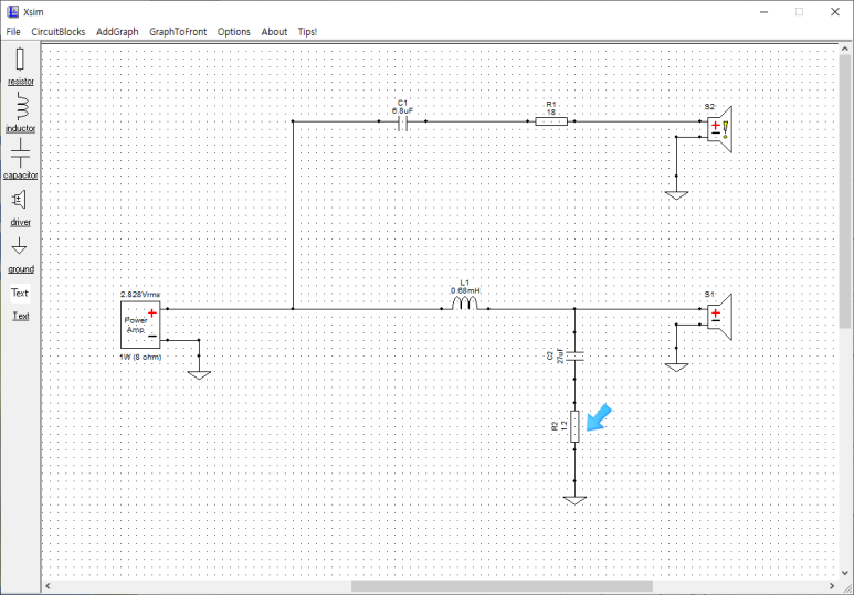
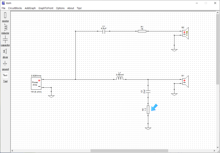
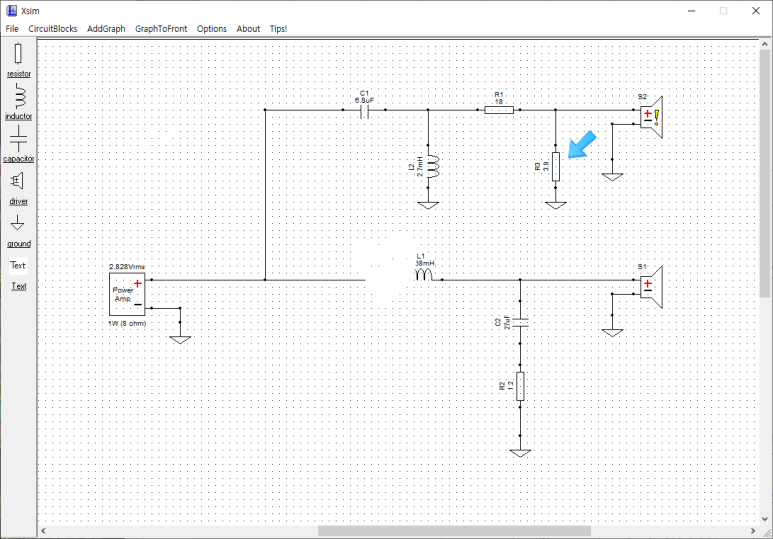
앞에서 저음에 추가한 콘덴서에 저항 1.2 옴(Ω)을 추가 합니다.



저음에 저항 추가 전후 입니다.
1) 저음의 1 KHz 부근의 SPL을 보면 87 쯤에서 85쯤으로 낮아졌습니다.


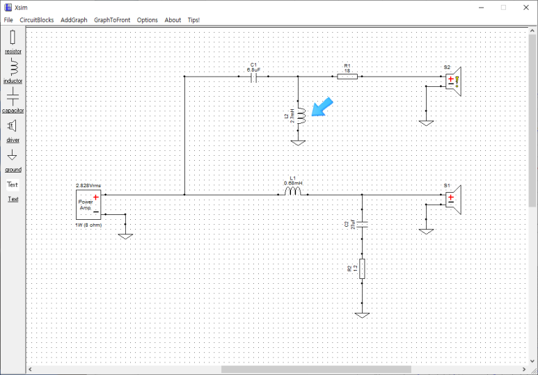
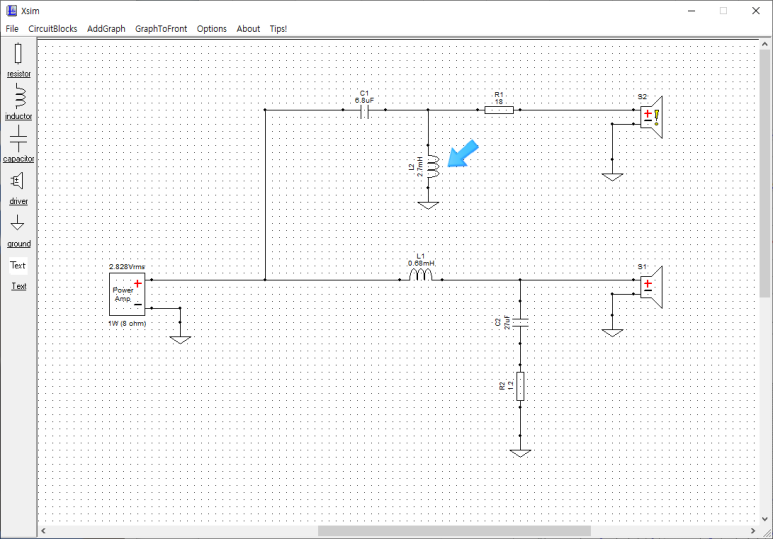
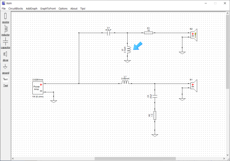
고음에 코일 2.7 mH 를 추가 합니다.
콘덴서를 통과한 저음을 다시 한번 코일을 통해서 흐려보내 크위터에 가지 못하도록 한다고 합니다.



고음에 코일 추가 전후 입니다.
1) 고음의 주파수 시작이 500 Hz 쯤에서 580 Hz 쯤으로 높아졌습니다.
2) 고음의 1 KHz 쯤의 SPL을 보면 87에서 93으로 높아졌습니다.
추가된 코일에 의해서 저음이 차단되니 고음이 높아진 것일까요?


고음에 추가한 저항 18옴(Ω)에 병렬로 저항 3.9 옴(Ω)을 추가 합니다.



저항을 추가 전후 입니다.
1) 고음의 SPL이 전체적으로 낮아졌습니다.


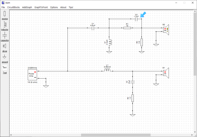
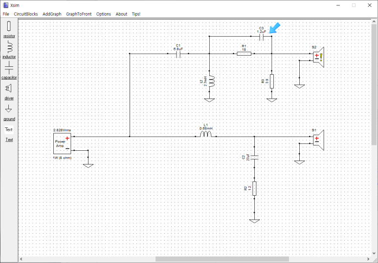
고음에 콘덴서 1.2 uF 를 추가 합니다.



고음에 콘덴서 추가 전후 입니다.
1) 1.4 KHz이후 점점 낮아지던 SPL이 보다 평탄하게 되었습니다.


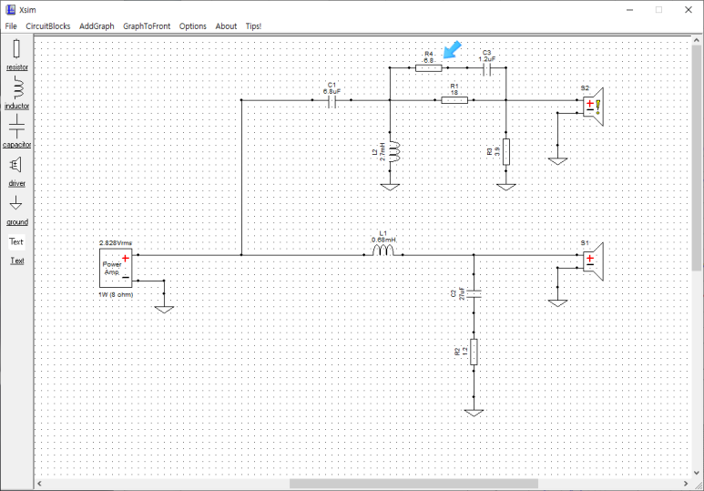
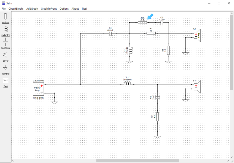
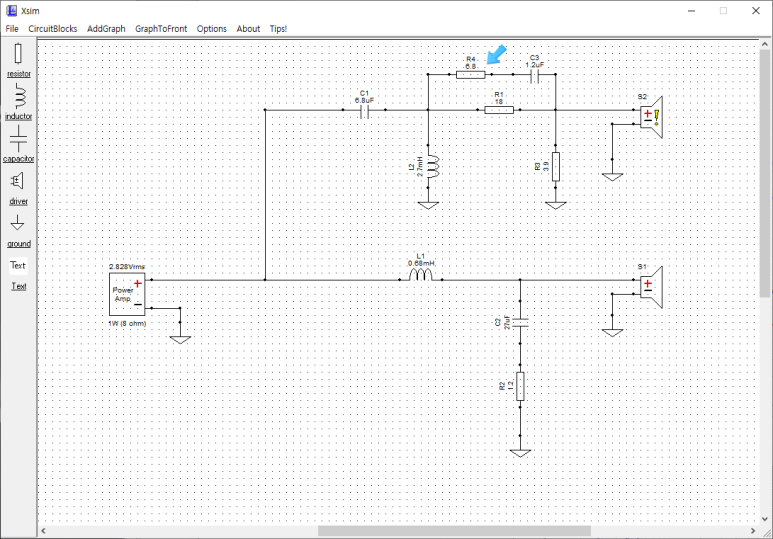
고음에 저항 6.8옴(Ω)을 추가 합니다.



저항 6.8옴(Ω) 추가 전후 입니다.
1) 고음을 전체적으로 SPL을 높여 줍니다. 1.3KHz에서 1.8Hz 쯤까지 SPL이 높아졌습니다.


'스피커' 카테고리의 다른 글
| [스피커] 풀레인지 스피커 네트워크(필터) ? (2021년 9월 7일) (0) | 2022.08.04 |
|---|---|
| [스피커] 네트워크 중음(Band-Pass) 실험 (2021년 9월 6일) (0) | 2022.08.04 |
| [스피커] 네트웨크(필터) 우퍼(저음) 코일 실험 (2021년 9월 3일) (0) | 2022.08.04 |
| [스피커] 네트웨크 트위터 콘덴서 실험 (2021년 9월 3일) (0) | 2022.08.04 |
| [스피커] 스피커유닛(드라이버) SPL 파일(frd, zma) (2021년 9월 2일) (0) | 2022.08.04 |
댓글