PCB를 사용하지 않으니 진공관소켓을 고정 할 방법이 없습니다. 보내온 소켓은 PCB에 끼워서 조립하는 핀으로 되어 있습니다.



'오디오파트' 사이트에서 소켓을 구매 했습니다. 9핀 소켓을 구매 하면 됩니다.

트랜스들의 위치가 케이스를 세워서 보기에 중심이 맞지 않습니다. 사진과 같이 전원트랜스에 받침목을 사용합니다.

러그핀모듈의 설치 모습니다. 밑에 있는 정항들의 위치가 고정되어 있어서 간격을 잘 조절 합니다.

전원트랜스
선들의 설명이 쓰여있지만 정확히 파악이 쉽지 않네요. 역시 먼저 만들어보고 잘 정리해두신 분들의 정보를 참고했습니다.

볼륨
작은 크기의 볼륨인데, 볼륨용 보드가 들어 있네요. 아래 사진과 같은 방향으로 납땜해 둡니다.

각종 콘덴서와 저항 큰거의 크기 비교 입니다.

100pf 콘덴서입니다. 2개가 필요한데 1개 밖에 없네요. 저항들과 같이 들어 있었는데 하나만 왔는지 하나를 잃어버렸는지 없네요. 추가로 구입했습니다.


0.1uf 콘덴서 입니다.

각종 콘덴서 위치 입니다. PCB를 보면 콘덴서 종류를 파악 할 수 있습니다.


저항은 미리 확인해서 스펀지에 번호대로 준비해 둡니다. 이렇게 하면 작업시 빠르게 확인 할 수 있습니다.

10핀짜리 러그핀을 니퍼로 아래,위로 자국을 낸 후 힘을 주어 뿌러트려 6핀 또는 5핀 짜리로 만듭니다.

5핀, 6핀 짜리 러그핀은 진공관 소켓용 나사에 같이 조립합니다. 러그핀의 나사용 다리의 각도를 잘 조절해서 아래 사진과 같이 뜨지 않도록 합니다.
(나중에 만들고 보니 이 러그핀을 공중에 뜨고록 하면 배선 작업을 더 쉽게 할 수 있을 것 같습니다. 소켓 나사를 좀 긴 것으로 사용하고 먼저 너트로 고정 한 후 그 위에 러그핀을 끼우고 다시 너트로 조립하는 식으로 하면 띄울 수 있을 것 같습니다)

진공관소켓 및 러그핀 고정 사진 입니다.
진공관의 방향을 모두 9핀으로 같은 것이어서 한쪽 방향으로 배치 했습니다. 방향이 반대가 되면 혼동 될 수 있기 때문에 모두 같은 방향으로 했습니다.

이렇게 추가로 러그핀을 준비 했는데, 쓰지는 않아서 나중에 제거 했습니다. 만약 이럭식으로 가능한 것으로 생각하고 배선 설계를 할 수도 있을 것 같네요.

전원트랜스 배치 방향 입니다. 가운데 검빨을 이렇게 연결해주어야 220V용이 된다고 합니다. 열수축튜브를 2번 겹쳤습니다.

전원스위치는 스위치 방향에 따라 ON, OFF 가 됩니다. 이전까지는 핀이 3개 있는 것을 사용했는데 이번에는 2개 있는 것이 왔네요. '터미널와이어 O 링'으로 선을 잡업 후 전원스위치의 나사에 연결했습니다.



ON / OFF
전원부의 브릿지다이오드와 진공관들의 전원 배선을 합니다.

출력트랜스의 배선을 스피커 단자와 연결 합니다. 입력선도 연결 합니다.
포함된 입력선이 매우 얇네요. 입력선의 접지선이 지지 역할을 할 수 있도록 약간 짧도록 해서 사용 합니다. 이렇게 하면 좌우측 입력선에는 힘이 가해지지 않을 것 같습니다.

볼륨 배선 입니다. 볼륨은 아래와 같이 외쫀으로 위치하던지 위쪽(사진상)으로 배치 할 수 있습니다.
볼륨때문에 이쪽의 러그핀을 5핀으로 만들어 사용합니다.

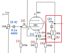
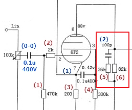
이런 구조는 이렇게 만들어 사용합니다. 36K 저항이 크기가 작아서 이렇게 만들었습니다.



가능한 배선을 먼저 작업 합니다. 저항이나 콘덴서를 먼저 연결하지 않습니다.
저항이나 콘덴서를 먼저 작업하면 배선 작업시 인두나 부품을 잡는 등의 작업이 어렵게 됩니다.
그렇지만 저항이나 콘덴서를 먼저 납땜하고자 하는 생각이 자꾸 드네요.
주요 배선을 먼저 작업하고 저항을 작업 합니다.

이제 콘덴서들을 작업 합니다. 22uf콘덴서는 크기가 커서 이렇게 눞혔습니다. 우측 하단의 22uf 콘덴서는 세워도 밑판에 닿지 않을 정도 입니다.

전체적인 부품배치
아래와 같이 가운데를 중심으로 밖에서 중심으로 향하는 방향으로 하려고 했는데 오른쪽에 25W 750 ohm 저항때문에 그렇게 못했습니다. 나중에 보니까 가능하기도 했을 것 같습니다. 가능한 열이 발생하는 부위로 전선이 지나가지 않도록 하려고 했습니다.

중앙을 중심으로 각각 왼쪽에서 오른쪽으로 배선 작업을 했습니다. 물론 몇개는 다르기는 합니다.

완성
역시 진공관이 많아져서 인지 열이 엄청 납니다. 참 트랜스의 도장도 무광이라 더 고급스러워 보이네요.
힘이 느껴집니다. 열도 많이 나도 험이 있네요. 좀 개조하고 지켜보면서 봐야 할 것 같습니다.



테스트
1) 송소희 : 봉숭아
2) BTS : Tear Outro:Tear
3) 부활 : 사랑이란건
'스피커' 카테고리의 다른 글
| [앰프] 6N2-6P1 블루투스 앰프 조립 (2021년 8월 22일) (0) | 2022.08.04 |
|---|---|
| [스피커] 평판스피커 90 x 20 cm (2021년 8월 21일) (0) | 2022.08.04 |
| [앰프] 6F2, 6P1 푸시풀 앰프 키트(1편) (2021년 8월 7일) (0) | 2022.08.04 |
| [앰프] 6V6 진공관앰프 고음 보강 (2021년 7월 30일) (0) | 2022.08.04 |
| [앰프] 6P1-6P14(EL84), 6P6P(6V6) 회로 비교 (2021년 7월 15일) (0) | 2022.08.03 |
댓글