10만원 정도의 중국산 진공관앰프 키트를 3가지 만들어 봤습니다.
구매시 회로등의 정보가 없었기 때문에 관심있는 진공관들의 키트를 구입 했습니다.
모두 조립하고 보니 회로가 같은 것을 확인 할 수 있었습니다.
전원부 : 6Z4
초단증폭 : 6N2
출력증폭 : 6P1, 6P14(EL84), 6P6P(6V6)
출력관만 다르고 모두 같습니다.
출력진공관의 핀 배열만 바꾸면 변경해서 사용 할 수 있을 것 같습니다.
소켓의 크기가 어떨지는 모르겠습니다. 6P6P(6V6)은 소켓크기는 다릅니다.
소켓크기가 비슷해야 케이스를 수정하지 않고도 사용 할 수 있으니까요.
하지만 필요한 조치만 하면 변경해서 사용 할 수 있을 것 같습니다.
각각의 회로를 보겠습니다.
전원부
전원트랜스 및 정류관 그리고 저항 및 콘덴서 값까지 모두 같습니다.
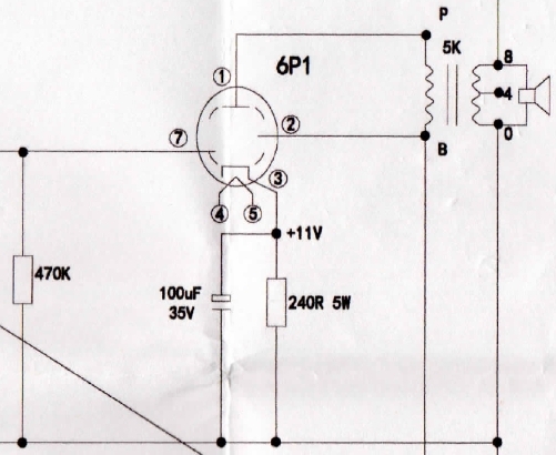
6P1 전원부

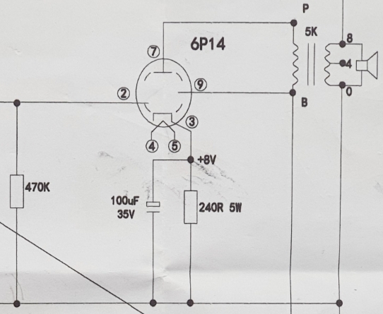
6P14(EL84) 전원부

6P6P(6V6) 전원부

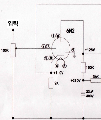
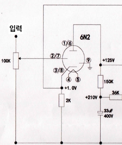
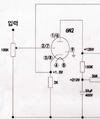
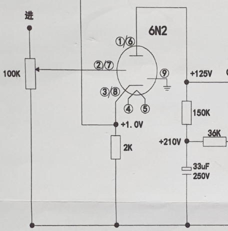
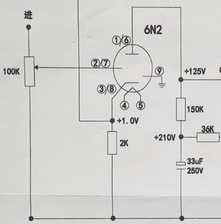
초단부
모두 6N2 진공관을 사용하고 있으며 볼륨, 저항, 콘덴서 값이 같습니다.
따라서 배선도 동일 합니다.
6P1 초단부

6P14(EL84) 초단부

6P6P(6V6) 초단부

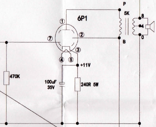
출력단
각각 출력 진공관이 다릅니다. 따라서 배선도 다릅니다.
그러나 커플링 콘덴서, 저항 등 값이 같습니다.
6P1과 6P14(EL84)는 소켓 크기도 비슷 할 것 같은데 정확히는 모르겠습니다.
(나중에 확인해 보니 9핀으로 소켓 크기도 동일 합니다)
6P6P(6V6)은 크기가 다릅니다.
소켓 크기가 비슷해야 케이스를 변경하지 않고 사용할 수 있으니까요.
6P1 출력단

6P14(EL84) 출력단

6P6P(6V6) 출력단

6P1 앰프


6P14 (EL84) 앰프


6P6P (6V6) 앰프


보면 출력관 외에는 모두 같습니다.
그래서 만약 6P1 앰프를 구입했어도 6P14(EL84) 앰프로 만들 수 있습니다.
6P15(EL84)롤 구입했어도 6P1 앰프로 만들 수 있습니다.
그런데, 6P6P(6V6)은 진공관 소켓 크기가 다릅니다. 케이스의 소켓구멍 크기도 다릅니다.
'스피커' 카테고리의 다른 글
| [앰프] 6F2, 6P1 푸시풀 앰프 키트(1편) (2021년 8월 7일) (0) | 2022.08.04 |
|---|---|
| [앰프] 6V6 진공관앰프 고음 보강 (2021년 7월 30일) (0) | 2022.08.04 |
| [앰프] 6N2-6P6P(6V6) 진공관 앰프 키트 조립 (2021년 7월 14일) (0) | 2022.08.03 |
| [앰프] 6N2-6P14(EL84,6BQ5) 진공관앰프 조립 (2021년7월5일) (0) | 2022.08.03 |
| [스피커] 스피커 인클로저 변화에 따른 주파수 특성2(2021년6월28일) (0) | 2022.08.03 |
댓글