이번에 만든 모노모노앰프에 커플링콘덴서를 변경하고자 합니다.
[앰프] 6P1진공관KIT로 모노모노앰프 만들기 (tistory.com)
[앰프] 6P1진공관KIT로 모노모노앰프 만들기
저가의 진공관앰프를 몇 개 만들어 왔습니다. 모노모노앰프 들어보면 더 좋은 음질을 느낄 수 있다고 해서 KIT를 찾아봤는데, 저가의 제품을 찾지 못했습니다. 그러다가 어느 앰프관련 사이트에
question99.tistory.com
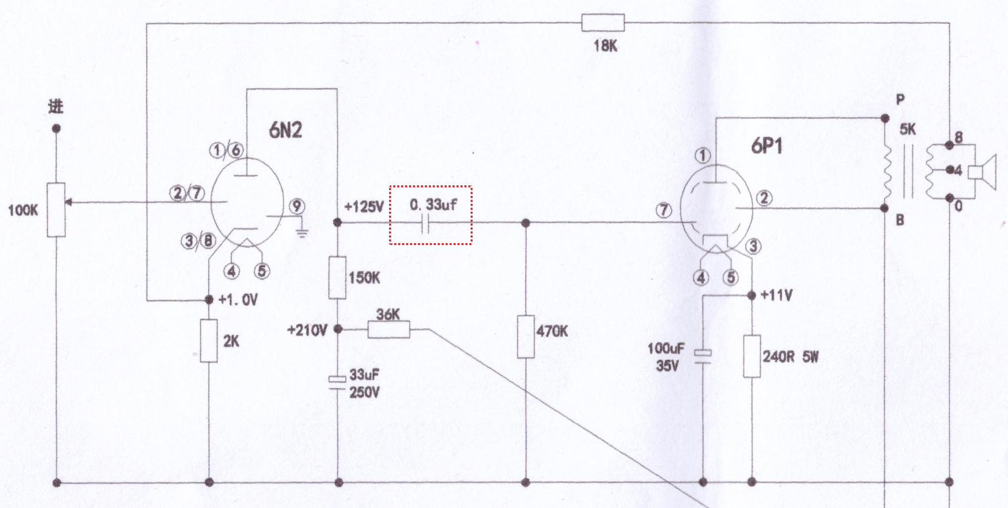
커플링콘덴서는 회로도 상에서는 0.33 uF 용량입니다.

지금까지 만든 앰프들에서는 0.22uF와 0.33uF를 사용했었습니다.
이번에는 조금 더 저음을 강화하려고 0.68uF 용량을 사용해 봤습니다.
그런데 예상외로 음색을 너무 많이 변화되어서 사용할 수 없었습니다.
그래서 여러 용량으로 실험을 해봤습니다.
같은 회사의 콘덴서로 용량을 바꿔가면서 실험을 해봐야겠지만 다른 회사 제품들입니다.
회사마다 모델마다의 콘덴서 음질이 다르겠지만 용량에 따른 영향이 더 클 것입니다.
WIMA 0.33uF 입니다. 기본 부품입니다.

0.33uf WIMA 콘덴서 (부활:사랑이란건)
0.33uf WIMA 콘덴서 (아이유:내 손을 잡아)
코넬 블랙캣 0.68uF (개당 15,000원)

0.68uf 블랙캣 콘덴서 (부활:사랑이란건)
0.68uf 블랙캣 콘덴서 (김윤아:봄날은 간다)
코넬 0.44uF (0.22uF를 2개 병렬로 용량 증가. 개발 5,000원. 2개 10,000원)

0.44uF 코넬 콘덴서-0.22uF 2개 사용 (부활 : 사랑이란건)
0.44uF 코넬 콘덴서-0.22uF 2개 사용 (아이유 : 내 손을 잡아)
필립스 0.33uF 콘덴서 (개당 10,000원)

0.33uF 필립스 콘덴서 (부활 : 사랑이란건)
0.33uF 필립스 콘덴서 (아이유 : 내 손을 잡아)
코넬 콘덴서 (개당 5,000 원)

0.22uF 코넬 콘덴서 (부활 : 사랑이란건)
0.22uF 코넬 콘덴서 (아이유 : 내 손을 잡아)
굳올 0.1uF 콘덴서 (개당 8,000 원)

0.1uF 굳올 콘덴서 (부활 : 사랑이란건)
0.1uF 굳올 콘덴서 (아이유 : 내 손을 잡아)
필립스콘덴서 0.33uF로 부착해 두었습니다.
'스피커' 카테고리의 다른 글
| [앰프] 6P1 모노모노앰프 스피커(삼미 8인치-ME08B40) 들어보기 (0) | 2022.09.12 |
|---|---|
| [앰프] 6P1 모노앰프 고음 보강 (0) | 2022.09.12 |
| [앰프] VU메터 설치하기 (0) | 2022.09.11 |
| [앰프] 전원 네온램프 장착하기 (1) | 2022.09.11 |
| [앰프] 6P1진공관KIT로 모노모노앰프 만들기 (0) | 2022.09.10 |
댓글